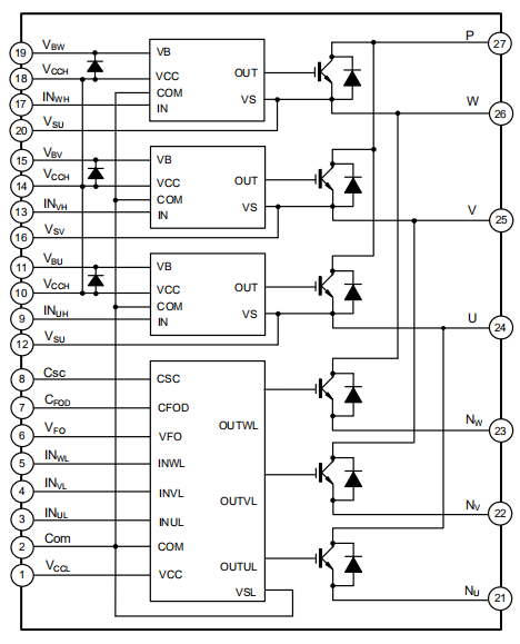
SD20M60AC 是高度集成、高可靠性的 3 相無刷直流電機驅動電路,主要應用于較低功率的變頻驅動,如空調、洗碗機、工業(yè)縫紉機等。其內置了 6 個低損耗的 IGBT 管和 3 個高速半橋高壓柵極驅動電路。
SD20M60AC 內部集成了欠壓、短路、過溫等各種電路,提供了優(yōu)異的保護和寬泛的安全工作范圍。由于每一相都有一個獨立的負直流端,其電流可以分別單獨檢測。
SD20M60AC 采用了高絕緣、易導熱的設計,提供了非常緊湊的封裝體,使用非常方便,尤其適合要求緊湊安裝的應用場合。
內置 6 個 600V/20A 的低損耗 IGBT;
內置高壓柵極驅動電路;
內置欠壓保護和過溫、過流保護;
內置自舉二極管;
完全兼容 3.3V 和 5V 的 MCU 的接口,高電平有效;
3 個獨立的負直流端用于變頻器電流檢測的應用;
報警信號:對應于低側欠壓保護和短路保護;
封裝體采用 DBC 設計,熱阻極低;
絕緣級別:2500Vrms/min。
| 產品名稱 | 封裝形式 | 打印名稱 | 環(huán)保等級 | 包裝 | 備注 |
|---|---|---|---|---|---|
| SD20M60AC | DIP-27H | SD20M60AC | 無鹵 | 料管 |

| 標題 | 類型 | 大小 (KB) | 日期 | 下載最新中文版本 |
|---|---|---|---|---|
| SD20M60AC | 287 | 2024-04-15 | SD20M60AC簡要版說明書 |